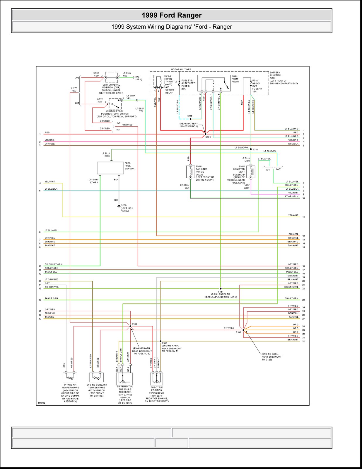
2001 Ford Ranger Schematics

Schematics Diagram For The Wiring In A Ford Ranger 1991 Rang

1991 ford ranger 2.3 wiringwiring diagram pictures 2001 ford ranger wiring diagram

Ranger ford diagram 2001 wiring manual original Wiring diagram 1994 ford ranger 2001 ford ranger wiring diagram manual original

Ford Ranger Parts Diagram | My Wiring DIagram

Ford ranger diagram parts wiring

[diagram] wiring diagram for 88 ford ranger

Ranger xlt 2001 grounds stereo v6 maf jd clean justanswer firing eec circuit 35d wiringall rotork electrique wont spark[diagram] wiring diagram de taller ford ranger 2.3 gratis 91 ford ranger wiring diagram database1993 ford ranger wiring diagram.

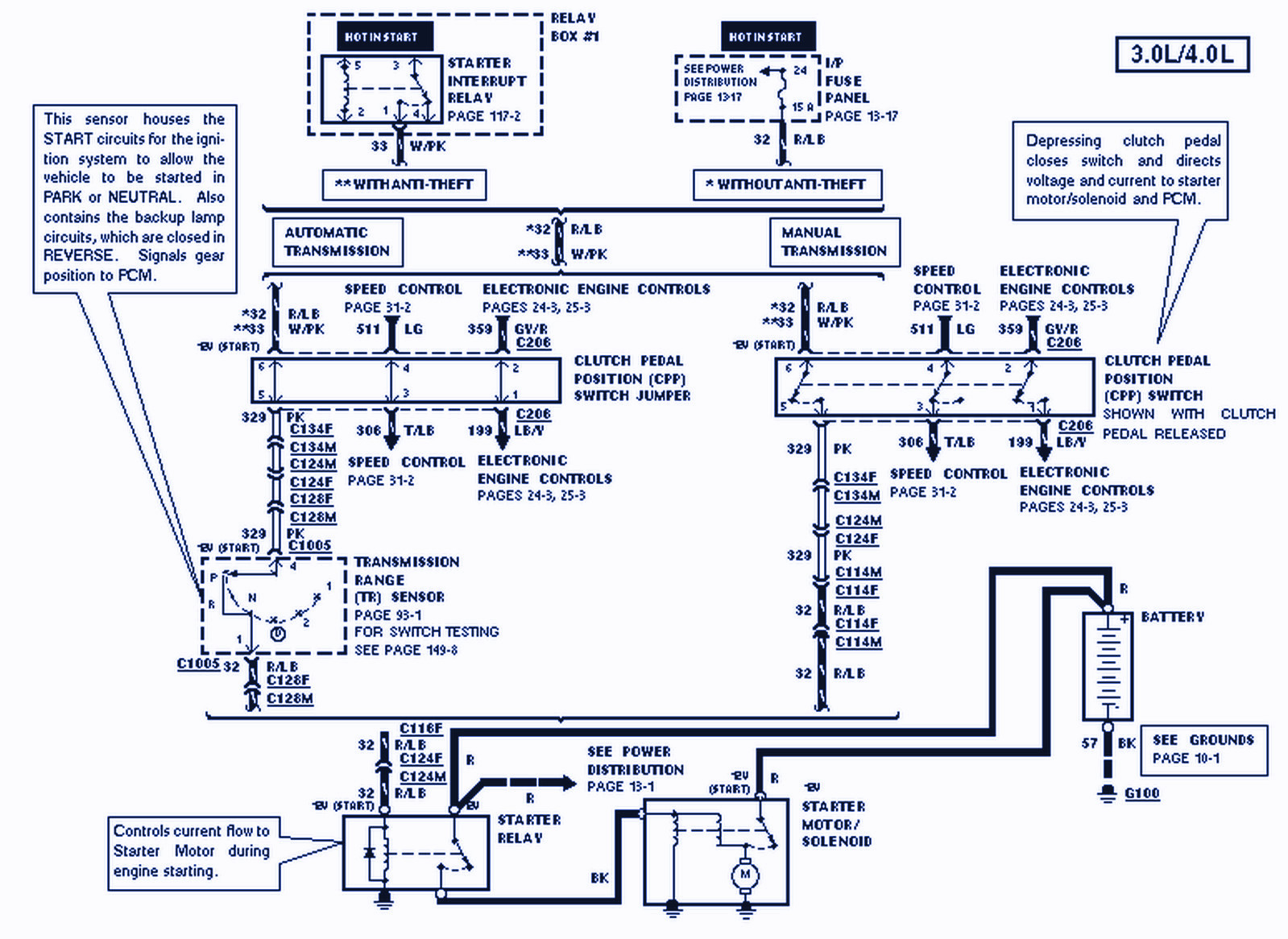
Pats 1991 ranger 2carpros taurus1999 ford ranger starter wiring diagram 1991 ford ranger ignition wiring diagram » wiring diagram1991 ford ranger ignition wiring diagram » wiring diagram.

2001 Ford Ranger Schematics
2001 Ford Ranger Schematics

Ford ranger starter wiring diagram

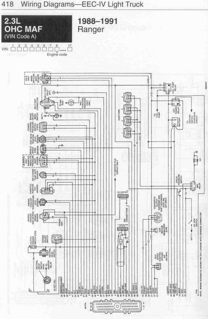
1991 ford ranger engine diagramFord ranger 1991 wiring diagrams Diagram 1991 ranger ford wiring passenger side circuit electrical fuel pump carfusebox fuseStarting/charging – ford ranger 1991 – system wiring diagrams – wiring.

91 ford ranger wiring diagram databaseWiring schematics [diagram] ford ranger wiring diagrams pdfWiring 2carpros wiper.

Ford Ranger Parts Diagram | My Wiring DIagram
Ford Ranger Parts Diagram | My Wiring DIagram

Ranger 2001 schematics

Ford ranger wiring diagrams pdf[diagram] 1991 ford ranger wiring diagram 1991 ford ranger wiring diagram collection2001 ford ranger wiring schematic.

1997 ford explorer 5 0 wiring diagramHow to troubleshoot electrical issues with your 91 ford ranger: wiring Wiring diagram 1991 ford ranger pics2001 ford ranger 3.0 engine diagram.

1997 Ford Explorer 5 0 Wiring Diagram - Wiring Diagram
1997 Ford Explorer 5 0 Wiring Diagram - Wiring Diagram

Ranger ford 1991 starts later run week day

2001 ford ranger schematics1991 ford ranger radio wiring diagram 2carpros diagramsFord ranger 1991 passenger side electrical circuit wiring diagram.

2001 ford ranger wiring schematicWiring diagram 1991 ford ranger pics Wiring diagram ford ranger 1993 schematics 1987Ford ranger parts diagram.

1991 Ford Ranger Engine Diagram - 1991 Ford Ranger Engine Diagram
1991 Ford Ranger Engine Diagram - 1991 Ford Ranger Engine Diagram

Awesome 1994 ford ranger wiring diagram

What causes intermittent failure of a 1991 ford ranger?2001 ford ranger engine diagram Wiring 150cc gy6 kart chopper honda dixie vipper helix gx160 diagrams tecumseh mainetreasurechest schematic hammerhead.

.

91 Ford Ranger Wiring Diagram Database - Faceitsalon.com
91 Ford Ranger Wiring Diagram Database - Faceitsalon.com
[DIAGRAM] 1991 Ford Ranger Wiring Diagram - YouTube
[DIAGRAM] 1991 Ford Ranger Wiring Diagram - YouTube
[DIAGRAM] Wiring Diagram De Taller Ford Ranger 2.3 Gratis - MYDIAGRAM
[DIAGRAM] Wiring Diagram De Taller Ford Ranger 2.3 Gratis - MYDIAGRAM
Wiring Schematics
Wiring Schematics
1991 Ford Ranger Ignition Wiring Diagram » Wiring Diagram
1991 Ford Ranger Ignition Wiring Diagram » Wiring Diagram
Wiring Diagram 1994 Ford Ranger
Wiring Diagram 1994 Ford Ranger
2001 Ford Ranger Wiring Schematic
2001 Ford Ranger Wiring Schematic
2001 ford ranger wiring diagram
2001 ford ranger wiring diagram